
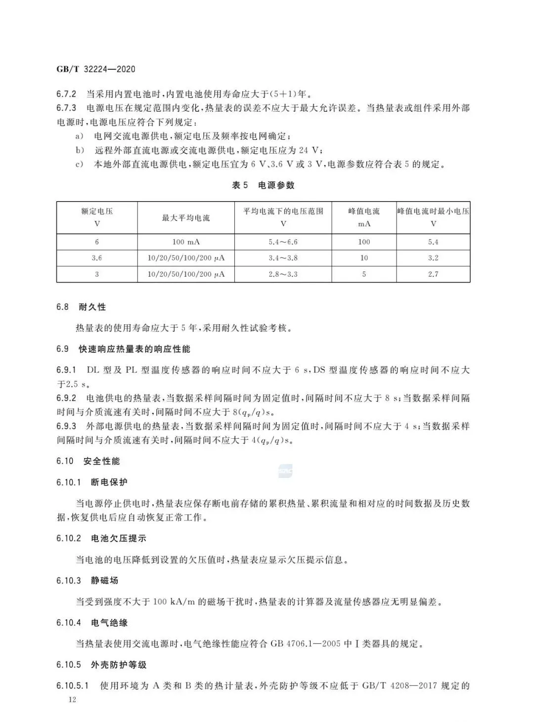
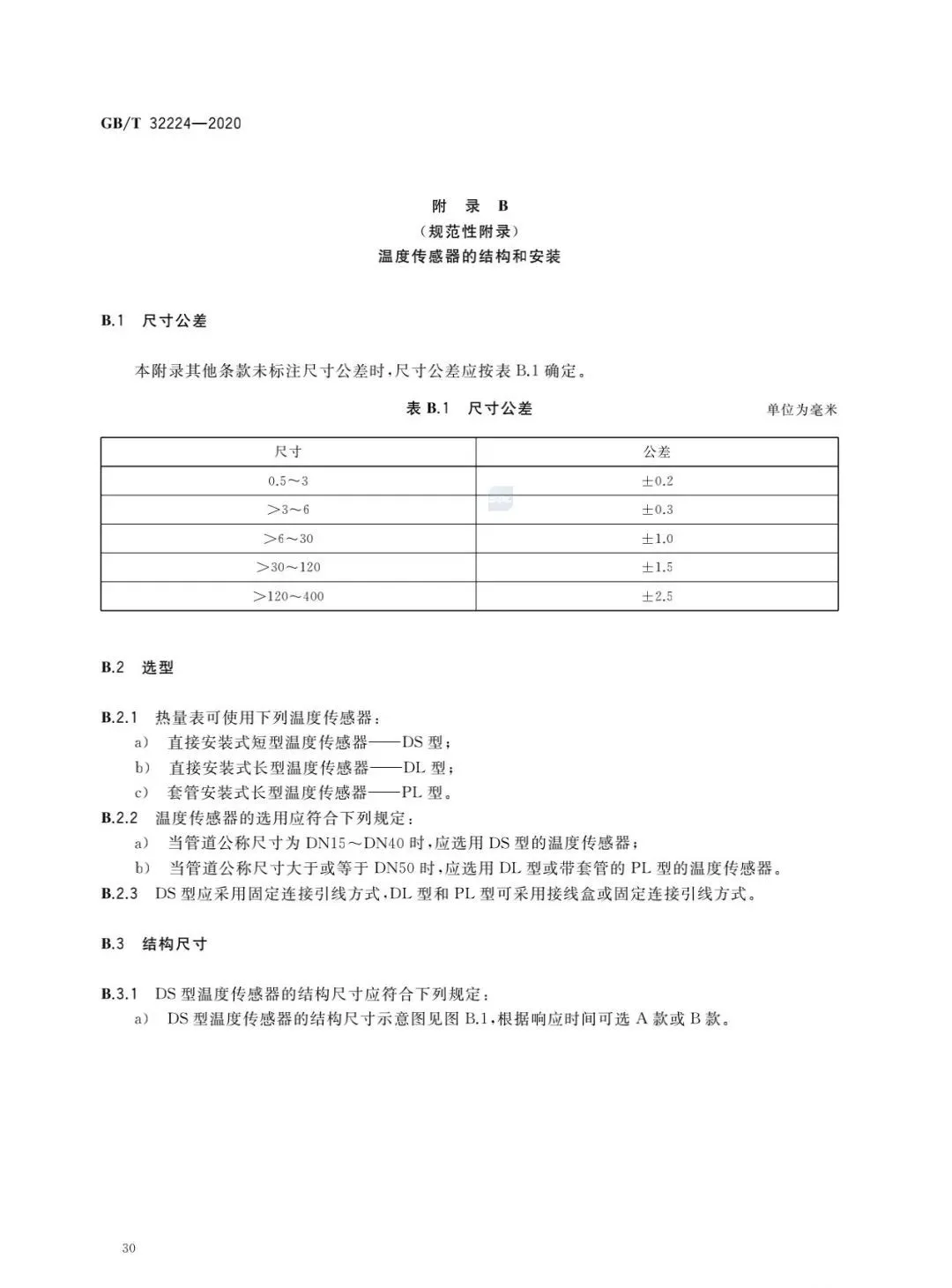
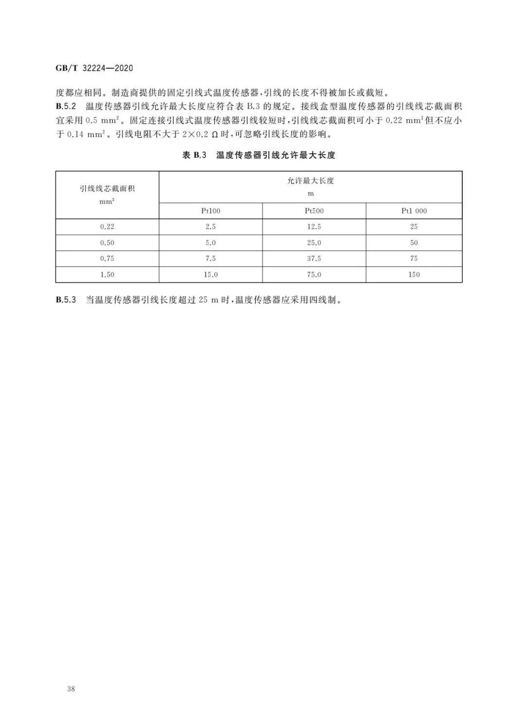
國家標準《GB/T 32224-2020 熱量表》自 2021 年 10 月 1 日起實施,代替原國家標準GB/T 32224-2015《熱量表》。本標準規定了熱量表的術語和定義、符號、技術特性、要求、試驗方法、檢驗規則、標誌、包裝、運輸和貯存。
熱量表標準(GB/T 32224-2020)適用於使用介質為水的熱量表的製造與檢驗。當使用介質為其他液體時,在獲得液體的質量焓及密度參數後可按本標準執行。





















































北京辦事處: 北京西城區三裏河東路30號院1號樓海峽國際大廈2層2021室
電話:
中國工廠: 江蘇省徐州市睢寧縣青年東路睢城鎮工業園集中區A區6號
電話: